我們的光纖耦合電光光調制器包括電光振幅調制器和電光相位調制器,以高頻調制光,其中電光振幅調制器以非常快的速度和高動態影響激光的振幅,電光相位調制器可以在高達千兆赫范圍內的的調制頻率下影響光的相位,您可以在 VIS 和 IR 光譜范圍內使用它。光纖耦合電光光調制器不需要特殊的驅動程序,任何具有 6-10 V(連接到 50 W)可控輸出電壓幅度(取決于調制器類型)、具有可控偏移且速度足夠快的電壓源都適用于調制器驅動。如果電源輸出電壓不足,則可能需要額外的電壓放大器。另外我們的鈮酸鋰電光調制器具有低插入損耗、高調制帶寬、低半波電壓等特點,主要用于空間光通信系統、銫原子時間基準、脈沖發生器、量子光學等領域。
我們一站式供應各種類型的電光調制器,電光振幅調制器,電光相位調制器,鈮酸鋰電光調制器,可提供選型、技術指導、安裝培訓、個性定制等全生命周期、全流程服務,歡迎聯系我們的產品經理!
光纖耦合集成光調制器是針對光振幅或相位調制的理想選擇。該產品的波長范圍足以覆蓋500到1600nm。該調制器以電光晶體為基礎,利用其快速的電光效應來發揮效果。您可以使用它來影響光的相位或振幅,使其達到千兆赫茲范圍內的高調制頻率。此外,這種結構緊湊的器件具有很高的光功率穩定性、較低的調制電壓和高消光比的特點。
光很容易通過光纖和連接頭耦合到集成光調制器中。調制器也可以根據要求配備特別適應的控制單元,例如脈沖采集器控制單元。除了標準的光調制器,我們還開發和制造客戶所需的特殊要求的組件,以滿足您的特定要求。
集成光波導方案(左圖),相位調制器(中圖),振幅調制器(右圖),
優點:
功能強大:光功率穩定性高,消光比高。
快:寬帶信號處理范圍高達千兆赫。
用途廣泛: 可用于VIS和IR光譜范圍內的各種波長。
使用簡單:通過光纖和連接器可輕松地將激光耦合和輸出。
可定制化:可根據客戶的特殊要求來定制組件。
應用領域:
高動態模擬調制
數字調制
短脈沖生成
脈沖整形
曝光技術
激光掃描顯微鏡
干涉測量技術
邊帶生成
光學相干斷層成像
集成光振幅調制器AMxxx是一種基于MgO:LiNbO3和LiNbO3晶體的緊湊光纖耦合波導電光調制器。它能提供快速的電光響應,且能允許頻率高達千兆赫的幅度調制。現有的型號的調制器適用于可見光和紅外光譜范圍內的波長。標準設計的調制器使用偏振維持單模光纖來耦合光輸入和輸出。它們還可以配置不同類型的光纖系統或連接頭。每個調制器可根據特殊要求安裝控制和驅動單元。
優點:
應用于可見光譜或紅外光譜
高調制頻率
單模光纖耦合
高消光比
低開關電壓
應用領域:
模擬和數字調制
短激光脈沖生成
振蕩器放大器系統中的脈沖生成
脈沖采集
激光掃描顯微鏡
計量學
集成光學振幅調制器AMxxx
| 產品型號 | AM635 | AM705 | AM830 | AM1064 | AM1550 | |
| 波長[nm] | 635 | 705 | 830 | 1064 | 1550 | |
| 光譜帶寬[nm] | ± 20 | ± 20 | ± 30 | ± 40 | ± 50 | |
| 插入損耗,典型值[dB] | 7 | 7 | 6 | 5.5 | 4.5 | |
| 消光比,典型值 | 500 : 1 | 500 : 1 | 800 : 1 | 1000 : 1 | 1000 : 1 | |
| 最小光學上升時間10/90,典型值 | 200 ps | 200 ps | 200 ps | 200 ps | 200 ps | |
| 光學連接,輸入 | 標準 | 保偏單模光纖* | ||||
| 光纖連接頭 | 裸光纖,FC/PC連接器或FC/APC連接器** | |||||
| 光學連接,輸出 | 標準 | 保偏單模光纖* | ||||
| 可選 | 單模或多模光纖皆可 | |||||
| 光纖連接頭 | 裸光纖,FC/PC連接器或FC/APC連接器** | |||||
| 半波電壓,典型值 | 2.5 V | 2.5 V | 2.5 V | 3 V | 5 V | |
| 最大偏置調制頻率(正弦)[kHz]/最大光輸入功率(cw) | 1/ 20mW | 1/ 20mW | 1/ 30mW | 1/300mW | 1/300mW | |
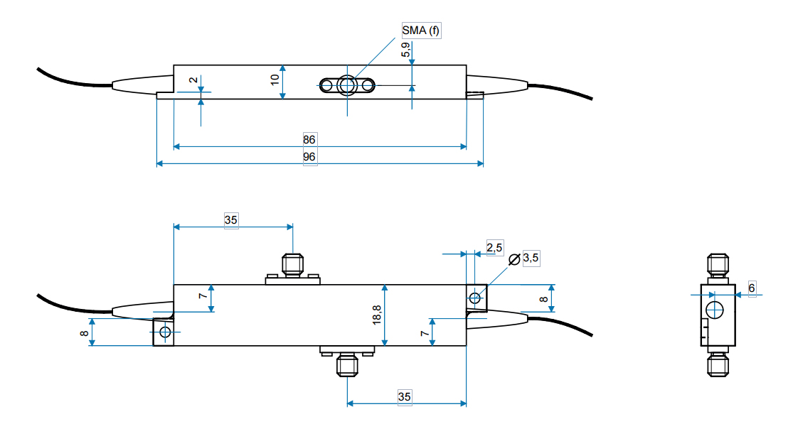
| 尺寸 長x寬x高[mm] (外殼,無光纖通孔) | 96x19x10 | 96x19x10 | 96x19x10 | 96x19x10 | 96x19x10 | |
*標準:領結型,可選:熊貓型
**標準:廣鍵連接器,可選:小鍵連接器
集成光學振幅調制器(偏置版本)
| AM635b | AM705b | AM830b | AM1064b | AM1550b | ||
| 波長[nm] | 635 | 705 | 830 | 1064 | 1550 | |
| 光譜帶寬[nm] | ± 20 | ± 20 | ± 30 | ± 40 | ± 50 | |
| 插入損耗,典型值[dB] | 7 | 7 | 6 | 5.5 | 4.5 | |
| 消光比,典型值 | 500 : 1 | 500 : 1 | 800 : 1 | 1000 : 1 | 1000 : 1 | |
| 最小光學上升時間10/90,典型值 | 200 ps | 200 ps | 200 ps | 200 ps | 200 ps | |
| 光學連接,輸入 | 標準 | 保偏單模光纖* | ||||
| 光纖連接頭 | 無/FC/PC/FC/APC** | |||||
| 光學連接,輸出 | 標準 | 保偏單模光纖* | ||||
| 可選 | 僅單模 | |||||
| 光纖連接頭 | 無/FC/PC/FC/APC** | |||||
| 半波電壓射頻/偏置[V] | 2.52.5 | 2.52.5 | 2.52.5 | 3/3 | 5 /5 | |
| 最小光學上升時間射頻10/90,典型值 | 500ps | 500ps | 500ps | 500ps | 500ps | |
| 最大偏置調制頻率(正弦)[kHz] | 1 | 1 | 1 | 1 | 1 | |
| 最大光輸入功率(cw) | 20 | 20 | 30 | 300 | 300 | |
| 尺寸 長x寬x高[mm] | 96x31x10 | 96x31x10 | 96x31x10 | 96x31x10 | 96x31x10 | |
*標準:領結型,可選:熊貓型
**標準:廣鍵連接器,可選:小鍵連接器
集成光相位調制器PMxxx是一種緊湊的基于光纖耦合波導的電光調制器,其工作基于MgO:LiNbO3和LiNbO3晶體。它能提供快速的電光響應,同時也支持頻率高達千兆赫的相位調制。現有的型號的調制器適用于可見光和紅外光譜范圍內的波長。標準設計的調制器使用偏振維持單模光纖來耦合光輸入和輸出。它們還可以配置不同類型的光纖系統或連接頭。
優點:
應用于可見光譜或紅外光譜
高調制頻率
單模光纖耦合
低調制電壓
應用領域:
模擬和數字調制
邊帶生成
干涉計量
光學相干斷層成像
| PM635 | PM705 | PM830 | PM1064 | PM1550 | |||
| 波長[nm] | 635 | 705 | 830 | 1064 | 1550 | ||
| 光譜帶寬[nm] | ± 20 | ± 20 | ± 30 | ± 40 | ± 50 | ||
| 插入損耗,典型值[dB] | 6 | 5 | 5 | 4 | 3 | ||
| 最小光學上升時間10/90,典型值 | 200 ps | 200 ps | 200 ps | 200 ps | 200 ps | ||
| 光學連接,輸入 | 標準 | 保偏單模光纖* | |||||
| 光纖連接頭 | 裸光纖,FC/PC連接器或FC/APC連接器** | ||||||
| 光學連接,輸出 | 標準 | 保偏單模光纖* | |||||
| 可選 | 單模或多模光纖皆可 | ||||||
| 光纖連接頭 | 裸光纖,FC/PC連接器或FC/APC連接器** | ||||||
| 半波電壓,典型值[V] | 5 | 5 | 4.5 | 6 | 10 | ||
| 最大光輸入功率(cw)[mW] | 20 | 20 | 30 | 300 | 300 | ||
| 尺寸 長x寬x高[mm] | 96x19x10 | 96x19x10 | 96x19x10 | 96x19x10 | 96x19x10 | ||
*標準:領結型,可選:熊貓型
**標準:廣鍵連接器,可選:小鍵連接器
鈮酸鋰調制器利用鈮酸鋰晶體的電光效應并結合光電子集成工藝制作而成,因其具有高響應速度,低插入損耗以及低半波電壓廣泛應用在光纖通信,微波光子,光纖傳感等領域。鈮酸鋰晶體為負單軸晶體(no>ne),屬于三角晶系,具有3m點群對稱操作。這樣的晶體結構注定了鈮酸鋰晶體具有較好的熱電效應、壓電效應、彈光效應、電光效應等。電光效應是指在直流電場(或低頻電場)的作用下引起材料折射率明顯變化的一種現象。也就是說外加電場改變了介質的光學性質。在某些材料中折射率的變化與所加電場的強度成線性關系,即線性電光效應,也稱普克爾斯(Pockels)效應。線性電光效應可認為是入射光場與直流電場混合作用在物質中產生的二階非線性極化,由于線性電光效應是用二階非線性極化率描寫的,因此它只能在具有空間非對稱的晶體中發生。在有空間中心對稱的材料中,比如液體或玻璃,折射率的變化與所加電場的平方成正比,這就是二次效應或稱克爾(Kerr)電光效應。與線性電光效應類似,它可用三階非線性極化來描寫。除此之外,還有更高次的電光效應。因為一般情況下,高階效應要比一次效應弱的多,所以在鈮酸鋰晶體中,我們只需考慮線性電光效應。
我們采用先進的質子交換工藝,生產的鈮酸鋰電光調制器具有低插入損耗、高調制帶寬、低半 波電壓等特點,主要用于空間光通信系統、銫原子時間基準、脈沖發生器、量子光學等領域。
鈮酸鋰電光調制器分為兩大類:電光強度調制器和電光相位調制器,主要波長為780nm, 850nm, 1064nm, 1310nm, 1550nm和2000nm。根據客戶需求可以定制其它波長。
產品型號定義:SCQ-XX-WW-XG-F-FC
XX: 調制器類型,AM為電光強度調制器,PM為電光相位調制器
WW: 工作波長,主要為850nm, 1064nm, 1310nm,1550nm和2000nm
XG: 工作帶寬,主要為2.5G, 10G, 40G
F: 輸入輸出光纖類型,如PP (PM/PMF), PS (PM/SMF)
FC: 光纖接頭,如FA (FC/APC), FP (FC/PC)
常用電光強度調制器列表 (封裝尺寸):
| 產品型號 | 工作波長nm | 最小波長nm | 最大波長nm | 帶寬Hz | 輸入輸出光纖 | 光纖接頭 |
| SCQ-AM-850-2.5G | 850 | 830 | 870 | 2.5G | PP | FA, FP |
| SCQ-AM-850-10G | 850 | 830 | 870 | 10G | PP | FA, FP |
| SCQ-AM-1064-2.5G | 1060 | 980 | 1150 | 2.5G | PP, PS | FA, FP |
| SCQ-AM-1064-10G | 1060 | 980 | 1150 | 10G | PP, PS | FA, FP |
| SCQ-AM-1310-2.5G | 1310 | 1290 | 1330 | 2.5G | PP, PS | FA, FP |
| SCQ-AM-1310-10G | 1310 | 1290 | 1330 | 10G | PP, PS | FA, FP |
| SCQ-AM-1550-2.5G | 1550 | 1525 | 1575 | 2.5G | PP, PS | FA, FP |
| SCQ-AM-1550-10G | 1550 | 1525 | 1575 | 10G | PP, PS | FA, FP |
| SCQ-AM-1550-20G | 1550 | 1525 | 1575 | 20G | PP, PS | FA, FP |
| SCQ-AM-1550-40G | 1550 | 1525 | 1575 | 40G | PP, PS | FA, FP |
| SCQ-AM-2000-1G | 2050 | 1900 | 2100 | 1G | PP, PS | FA, FP |
| SCQ-AM-2000-10G | 2050 | 1900 | 2100 | 10G | PP, PS | FA, FP |
常用電光相位調制器列表 (封裝尺寸):
| 產品型號 | 工作波長nm | 最小波長nm | 最大波長nm | 帶寬Hz | 輸入輸出光纖 | 光纖接頭 |
| SCQ-PM-780-2.5G | 780 | 760 | 800 | 10G | PP | FA, FP |
| SCQ-PM-850-2.5G | 850 | 780 | 890 | 2.5G | PP, PS | FA, FP |
| SCQ-PM-850-10G | 850 | 780 | 890 | 10G | PP, PS | FA, FP |
| SCQ-PM-1064-300M | 1060 | 980 | 1150 | 300M | PP | FA, FP |
| SCQ-PM-1064-6G | 1060 | 980 | 1150 | 6G | PP | FA, FP |
| SCQ-PM-1064-10G | 1060 | 980 | 1150 | 10G | PP | FA, FP |
| SCQ-PM-1310-10G | 1310 | 1290 | 1330 | 10G | PP, PS | FA, FP |
| SCQ-PM-1550-300M | 1550 | 1525 | 1565 | 300M | PP, PS | FA, FP |
| SCQ-PM-1550-10G | 1550 | 1525 | 1565 | 10G | PP, PS | FA, FP |
電光調制器的基本結構從鈮酸鋰制成的晶片開始。嵌入晶片中的是用于引導光通過調制器的波導管。至少兩個電極被放置在靠近波導的晶片的頂表面上。這些電極用于通過利用Pockels效應來調制信號。簡單地說,Pockels效應是指施加在晶體上的電場導致折射率發生變化。通過改變晶體的折射率,穿過波導的光改變了用于調制信號的相位。
我們提供相位和強度調制器。我們的調制器種類繁多,很容易為您的項目找到合適的電光調制器。我們提供的調制器具有850–1550nm的工作波長和5–50GHz的3dB帶寬。這些高性能調制器具有低插入損耗、高消光比,可以以高光功率工作,并提供優異的穩定性。此外,我們提供具有PM輸出和低驅動電壓的調制器,以適應更廣泛的應用。
相位調制器由位于鈮酸鋰中的單個波導組成,波導兩側各有兩個電極(下圖)。這是最簡單的調制器類型。

異相調制器是一種高性能的LiNbO3調制器。該相位調制器可以以低驅動電壓提供具有x切割退火質子交換(APE)工藝的相位調制。它具有低插入損耗和高傳輸功率。調制器使用保持偏振的輸入和輸出光纖,使其易于與其他光學組件集成。
特點:
保偏輸出
低插入損耗(≤4.0dB)
高輸入功率處理能力
線纜900μm套管
偏振消光比≥21dB
應用:
模擬調制
脈沖產生
量子光子
有源鎖模激光器
規格:
| 型號 | 波長(nm) | 帶寬(GHz) | 最大輸入光功率(mW) | Vπ(V) | 光回波損耗(≤dB) | 射頻端口連接器 | 尺寸(mm) |
| STOL-PM-785-0.5 | 785 | 0.5 | 5. | 4V@1GHz | -30 | K連接器 | 96x25x16.3 |
| STOL-PM-785-5 | 785 | 5 | 5. | 5V@1GHz | -30 | K連接器 | 96x25x16.3 |
| STOL-PM-785-10 | 785 | 10 | 20 | 5.2V@1GHz | 30 | K連接器 | 96x25x16.3 |
| STOL-PM-785-20 | 785 | 20 | 5. | 6.8V@1GHz | 30 | K連接器 | 96x25x16.3 |
| STOL-PM-850-02 | 850 | 0.2 | 20 | 1.1V@0.1GHz | 40 | K連接器 | 65x11.5x5.8 |
| STOL-PM-1064-20 | 1064 | 20 | 300 | 5.5V@1GHz | 40 | V母頭 | 87x14.5x10.1 |
| STOL-PM-1310-5 | 1310 | 5. | 50 | 6V@1GHz | 30 | K連接器 | 96x25x16.3 |
| STOL-PM-130-10 | 1310 | 10 | 50 | 8.8V@1GHz | 30 | K連接器 | 96x25x16.3 |
| STOL-PM-1550-0.5 | 1550 | 0.5 | 50 | 8V@0.001GHz | 30 | K連接器 | 96x25x16.3 |
| STOL-PM-1550-5 | 1550 | 5. | 50 | 9V@1GHz | 30 | K連接器 | 96x25x16.3 |
| STOL-PM-1550-10 | 1550 | 10 | 40 | 10.5V@1GHz | 30 | K連接器 | 96x25x16.3 |
| STOL-PM-1550-0.5-PMLD | 1550 | 0.5 | 50 | 4V@0.001GHz | 30 | K連接器 | 96x25x16.3 |
功能圖:

機械制圖:

強度調制器使用馬赫-曾德爾干涉儀(MZI)的結構,將波導分成兩條路徑并重新組合(下圖)。電極被放置在兩個波導路徑周圍,以在分裂時調制光中的相位。當路徑重新組合時,光路根據相位經歷構造或解構干涉,從而調制光強度。

我們的強度調制器設計用于衛星鏈路、天線遠程和光纖射頻的不同頻率的模擬調制。通過使用退火質子交換(APE)波導,調制器提供了低插入損耗和高功率處理能力。它具有高度線性的傳遞函數和優異的消光比。調制器與各種各樣的調制器驅動器兼容,并且單獨的偏置端口允許調制器在傳遞函數的特定點處操作。
特點:
保偏(PM)輸出或單模(SM)輸出
低插入損耗(≤4.5dB)
高輸入功率處理能力
驅動電壓低
應用:
模擬調制
脈沖產生
量子光子學
有源鎖模激光器
規格:
| 型號 | 波長(nm) | 帶寬(GHz) | 最大輸入光功率(mW) | Vπ(V) | 光回波損耗(≤dB) | 射頻端口連接器 | 尺寸(mm) |
| STOL-IM-785-0.5-PM | 785 | 0.5 | 10 | 2.5@1KHz | -45 | GPO male | 65 x 11.4 x 4.8 |
| STOL-IM-785-20-PM | 785 | 20 | 10 | 5.5@10GHz | -45 | V female | 87 x 14.5 x 10 |
| STOL-IM-785-40-PM | 785 | 40 | 10 | 6.5@20GHz | -45 | V female | 87 x 14.5 x 10 |
| STOL-IM-850-5pm | 850 | 5. | 20 | 5.0@1GHz | -45 | V female | 87 x 14.5 x 10 |
| STOL-IM-850-10-PM | 850 | 10 | 20 | 5.0@1GHz | -45 | V female | 87 x 14.5 x 10 |
| STOL-IM-850-20-PM | 850 | 20 | 20 | 5.5@10GHz | -45 | V female | 87 x 14.5 x 10 |
| STOL-IM-1064-10-PM | 1064 | 10 | 100 | 4.3@10GHz | -45 | K female | 96.1 x 24.9 x 16.3 |
| STOL-IM-1064-20-PM | 1064 | 20 | 100 | 4.3@20GHz | -45 | K female | 96.1 x 24.9 x 16.3 |
| STOL-IM-1064-40-PM | 1064 | 40 | 300 | 3.9@1GHz | -50 | V female | 87 x 14.5 x 10 |
| STOL-IM-130-10- PM | 1310 | 10 | 100 | 6.6@10GHz | -45 | K female | 66 x 22 x 9 |
| STOL-IM-1310-20-PM | 1310 | 20 | 100 | 5@1kHz | -45 | K female | 66 x 22 x 9 |
| STOL-IM-13100-40-PM | 1310 | 40 | 100 | 5.1@1GHz | -50 | V female | 87 x 14.5 x 10 |
| STOL-IM-1550-10-PM | 1550 | 10 | 100 | 6@1GHz | -45 | K female | 96 x 14 x 8.5 |
| STOL-IM-1500-10-PMV | 1550 | 10 | 100 | 6@1GHz | -45 | V female | 96 x 14 x 8.5 |
| STOL-IM-1500-10-SM | 1550 | 10 | 100 | 5@1GHz | -35 | SMA | 117.9 x 15.2 x 9.8 |
| STOL-IM-1550-20-SM | 1550 | 20 | 100 | 5.7@1GHz | -45 | K female/SMA | 96 x 24.9 x 16.3 |
| STOL-IM-1550-40-PM | 1550 | 40 | 100 | 4.5@30GHz | -45 | V female | 71 x 16 x 7 |
選項:
STOL-IM-785-40-PM-XX
XXHE:高消光比
PD:內部PD
請聯系我們以獲取可用選項。
功能圖:

機械制圖:
STOL-IM-XXX-XX-PM-PD外殼,帶內部PD

STOL-IM-XXX-XX-PM外殼,無內部PD

可用配件:ST-BCB-4

這是一款結構緊湊的偏置控制板,設計用于維持光強度調制器的線性工作點
多功能集成光學芯片(MIOC)是光纖陀螺儀(FOG)的關鍵部件,用于轉速感應和慣性導航系統。 該集成光學芯片裝置由偏振器、Y 型結耦合器和雙電光學相位調制器組成。 通過使用鈮酸鋰,該集成光學芯片采用質子交換光波導制造。 它的偏振消光比超過 60 dB,可以最大限度地減少偏振串擾引起的非互惠性偏置漂移。 光纖電流傳感器(FOCS)芯片專為光纖電流傳感而設計。

特點
1550±20nm工作波長
PM輸入和輸出端口
低插入損耗3.5 dB
偏振消光比>60dB
低Vπ電壓4V
提供未封裝的芯片
應用:
光纖陀螺儀
光纖電流傳感器(FOCS)
壓敏檢波器和其他光學敏感場
規格:
| 型號 | 波長(nm) | 帶寬(nm) | 分割比例(%) | 強度調制(%) | 插入損耗 | 尺寸(毫米) |
| STOL-MIOC-1550-BC | 1550 | 20 | 50 | 0.1 | 3.5 | 1x1.8x22.5 |
| STOL-MIOC-1550-BC-P | 1550 | 20 | 50 | 0.1 | 2.5 | 1x1.8x22.5 |
| STOL-MIOC-1550-PG | 1550 | 20 | 50 | 0.1 | 3.5 | 5.85x12.85x40.5 |
| STOL-MIOC-1550-PG-P | 1550 | 20 | 50 | 0.1 | 2.8 | 5.85x12.85x40.5 |
| STOL-MIOC-1550-SB | 1550 | 20 | 50 | 0.1 | 3.5 | 1.75x7x26 |
| STOL-MIOC-1550-SP | 1550 | 20 | 50 | 0.1 | 3.5 | 3x6.5x33 |
| STOL-FOCS-1550-PG | 1550 | 20 | 50 | 0.1 | 4.2 | 5.85x12.85x40.5 |
功能圖:

機械制圖:
STOL-MIOC-1550-BC

我們的高增益射頻放大器模塊可為微波和模擬鏈路提供經濟高效的解決方案。 該模塊結構緊湊、使用方便,可提供高質量的單端電壓來驅動光調制器。 這款多功能模塊采用 12V 或 5V 直流電源,外殼經過陽極氧化處理。精密加工的鋁制外殼,可在長時間使用時有效散熱。 大多數調制器都有一個可手動調節的直流偏置輸出電壓端口,以便在與標準光學調制器一起使用時進一步提高其效率。
應用:
模擬射頻放大
5G無線天線
光纖射頻鏈路
數字調制
一般實驗室測試和測量
SONET/SDH
規格:
| 型號 | 帶寬(GHz) | S11特性(dB) | 數據速率(Gb/s) | 射頻增益(dB) | 飽和輸出功率(dBm) | 增益紋波(dB) | 輸入、輸出阻抗(?) | 增益調整范圍(dB) | 電源要求 |
| STOL-MD-9-M | 3至9 | -15 | - | 34 | 30 | 0.5 | 50 | - | 5V DC |
| STOL-MD-50E-M | 45 | -10 | 50 | 20 | 14.5 | 1.5 | 50 | 15 | 12V DC, 2A |
| STOL-MD-20-M | 18 | -10 | 23 | 19 to 24 | 26 | 0.5 | 50 | 5 | 12V DC, 1A |
| STOL-MD-12-DC | 12 | -10 | 12.5 | 14 to 26 | 26 | 1.5 | 50 | 6 | 12V DC, 1A |
功能圖和圖紙:

上一個產品
下一個產品